Einphasenstelltransformatoren ESS mit Axialbefestigung

Technische Daten

Schutzgrad: IP00
Isolierklasse: B
Umgebungstemperatur: max. +45°C
Prüfspannung Wicklung-Welle: 1,5 kV
Frequenz: 50/60 Hz
Drehwinkel: 320 °
Konformität: CE, RoHS
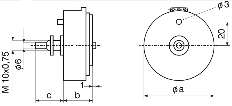
Abmessungen ESS mit Axialbefestigung
Typ a (in mm) b (in mm) c (in mm) Masse (in kg)
KSS 103 70 55 32 0,6
KSS 105 94,5 58 28 1,4
ESS 9008 94,5 58 28 1,4
ESS 9010 94,5 58 28 1,4
ESS 9013 94,5 58 28 1,4