ESS-M mit Motorantrieb und 4 Punkt Flanschbefestigung
Technische Daten
|
Aufbau nach VDE 0552 / EN 61558-2-14
|
|
| Betriebsart: | DB |
| Schutzklasse: | 0 |
| Schutzgrad: | IP00 |
| Isolierstoffklasse: | B |
| Umgebungstemperatur: | max. +45°C |
| Befestigungsart je nach Bauart: | 4-Punkt-Flanschbefestigung |
| Anschlussart: | Schraubanschluss oder Lötösen |
| Prüfspannung: | Welle gegen spannungsführende Teile 4kV |
| Drehwinkel: | ca. 320° |
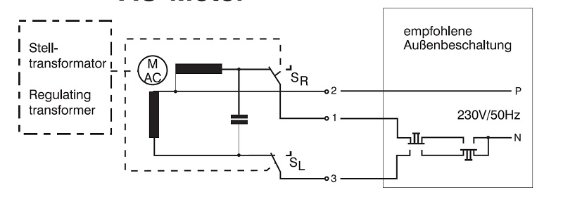
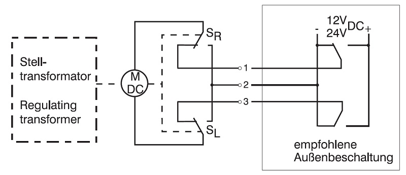
| Frequenz: | 50 / 60 Hz |
| Konformitätszeichen: | CE, RoHS |
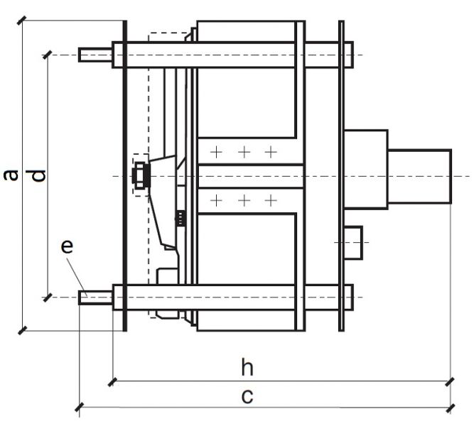
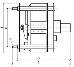
Abmessungen 4-Punkt-Flanschbefestigung
| Typ | a in mm | c in mm AC-Motor | c in mm DC-Motor | d in mm | h in mm AC-Motor | h in mm DC-Motor | e in mm | kg |
|---|---|---|---|---|---|---|---|---|
| ESS 9020 MAC/ MDC | 124 | 194 | 235 | 96 | 192 | 217 | M5 | 3,5 |
| ESS 9032 MAC/ MDC | 144 | 194 | 235 | 112 | 192 | 217 | M5 | 4,75 |
| ESS 9040 MAC/ MDC | 144 | 194 | 235 | 112 | 192 | 217 | M5 | 4,75 |
| ESS 9063 MAC/ MDC | 144 | 218 | 255 | 112 | 212 | 237 | M5 | 6,2 |
| ESS 9080 MAC/ MDC | 197 | 230 | 267 | 142 | 225 | 250 | M6 | 9,83 |
| ESS 9100 MAC/ MDC | 197 | 230 | 267 | 142 | 225 | 250 | M6 | 9,83 |
| ESS 9180 MAC/ MDC | 243 | 267 | 294 | 180 | 244 | 269 | M10 | 16,35 |
| ESS 9200 MAC/ MDC | 243 | 267 | 294 | 180 | 244 | 269 | M10 | 16,35 |
| ESS 9250 MAC/ MDC | 243 | 282 | 307 | 180 | 259 | 284 | M10 | 18,9 |
| ESS 9340 MAC/ MDC | 243 | 430 | 430 | 180 | 407 | 407 | M10 | 33 |
| ESS 9380 MAC/ MDC | 243 | 430 | 430 | 180 | 407 | 407 | M10 | 33 |
| ESS 9480 MAC/ MDC | 243 | 460 | 460 | 180 | 437 | 437 | M10 | 38 |
| ESS 9570 MAC/ MDC | 243 | 713 | 798 | 180 | 690 | 715 | M10 | 50 |
| ESS 9720 MAC/ MDC | 243 | 758 | 783 | 180 | 735 | 760 | M10 | 60 |